在電路設計當中,全橋的作用非常重要,當橋式整流電路當中的四個二極管封裝在一起時就構成了全橋電路,而全橋電路實際上就是我們常說的H橋電路。本篇文章將主要介紹H橋電機驅動的工作原理,從逆時針和順時針兩個方面來進行全面的分析。

圖1 H橋式電機驅動電路
圖1中所示為一個典型的直流電機控制電路。電路得名于“H橋式驅動電路”是因為它的形狀酷似字母H。4個三極管組成H的4條垂直腿,而電機就是H中的橫杠(注意:圖1及隨后的兩個圖都只是示意圖,而不是完整的電路圖,其中三極管的驅動電路沒有畫出來。
如上圖所示,H橋式電機驅動電路包括4個三極管和一個電機。要使電機運轉,必須導通對角線上的一對三極管。根據不同三極管對的導通情況,電流可能會從左至右或從右至左流過電機,從而控制電機的轉向。
要使電機運轉,必須使對角線上的一對三極管導通。例如,如圖2所示,當Q1管和Q4管導通時,電流就從電源正極經Q1從左至右穿過電機,然后再經Q4回到電源負極。按圖中電流箭頭所示,該流向的電流將驅動電機順時針轉動。

圖2 H橋電路驅動電機順時針轉動
當三極管Q1和Q4導通時,電流將從左至右流過電機,從而驅動電機按特定方向轉動(電機周圍的箭頭指示為順時針方向)。

圖3 H橋電路驅動電機逆時針轉動
圖3所示為另一對三極管Q2和Q3導通的情況,電流將從右至左流過電機。
當三極管Q2和Q3導通時,電流將從右至左流過電機,從而驅動電機沿另一方向轉動(電機周圍的箭頭表示為逆時針方向)。
使能控制和方向邏輯
驅動電機時,保證H橋上兩個同側的三極管不會同時導通非常重要。如果三極管Q1和Q2同時導通,那么電流就會從正極穿過兩個三極管直接回到負極。此時,電路中除了三極管外沒有其他任何負載,因此電路上的電流就可能達到最大值(該電流僅受電源性能限制),甚至燒壞三極管。

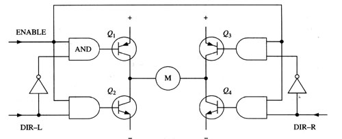
圖4 具有使能控制和方向邏輯的H橋電路
基于上述原因,在實際驅動電路中通常要用硬件電路方便地控制三極管的開關。 圖4所示就是基于這種考慮的改進電路,它在基本H橋電路的基礎上增加了4個與門和2個非門。4個與門同一個“使能”導通信號相接,這樣,用這一個信號就能控制整個電路的開關。而2個非門通過提供一種方向輸人,可以保證任何時候在H橋的同側腿上都只有一個三極管能導通。(與前面的示意圖一樣,圖4所示也不是一個完整的電路圖,特別是圖中與門和三極管直接連接是不能正常工作的。)
采用以上方法,電機的運轉就只需要用三個信號控制:兩個方向信號和一個使能信號。如果DIR-L信號為0,DIR-R信號為1,并且使能信號是1,那么三極管Q1和Q4導通,電流從左至右流經電機(如圖5所示);如果DIR-L信號變為1,而DIR-R信號變為0,那么Q2和Q3將導通,電流則反向流過電機。

圖5 使能信號與方向信號的使用
實際使用的時候,用分立件制作H橋式是很麻煩的,好在現在市面上有很多封裝好的H橋集成電路,接上電源、電機和控制信號就可以使用了,在額定的電壓和電流內使用非常方便可靠。比如常用的L293D、L298N、TA7257P、SN754410等。
H橋電路經常被應用與逆變器電路和直流電機電路當中,在這里我們只對H橋電路在直流電機當中的應用原理做出了解釋。希望各位能夠充分掌握全橋電路的各種基礎知識,這樣不但方便設計的快速進行還能幫助我們鞏固基礎知識。
烜芯微專業制造二極管,三極管,MOS管,橋堆等,20年,工廠直銷省20%,1500家電路電器生產企業選用,專業的工程師幫您穩定好每一批產品,如果您有遇到什么需要幫助解決的,可以直接聯系上方的聯系號碼或加QQ,由我們的銷售經理給您精準的報價以及產品介紹
烜芯微專業制造二極管,三極管,MOS管,橋堆等,20年,工廠直銷省20%,1500家電路電器生產企業選用,專業的工程師幫您穩定好每一批產品,如果您有遇到什么需要幫助解決的,可以直接聯系上方的聯系號碼或加QQ,由我們的銷售經理給您精準的報價以及產品介紹

