采用RC選頻網絡構成的振蕩電路稱為RC振蕩電路,它適用于低頻振蕩,一般用于產生1Hz~1MHz的低頻信號。
1.RC振蕩電路原理圖
RC振蕩電路由放大電路、選頻網絡、正反饋網絡,穩幅環節四部分構成。主要優點是結構簡單,經濟方便。根據RC選頻網絡的不同形式,可以將RC振蕩電路分為RC超前(或滯后)相移振蕩電路和文氏電路振蕩電路。
對于RC振蕩電路來說,增大電阻R即可降低振蕩頻率,而增大電阻是無需增加成本的。
常用LC振蕩電路產生的正弦波頻率較高,若要產生頻率較低的正弦振蕩,勢必要求振蕩回路要有較大的電感和電容,這樣不但元件體積大、笨重、安裝不便,而且制造困難、成本高。因此,200kHz以下的正弦振蕩電路,一般采用振蕩頻率較低的RC振蕩電路。

2.RC振蕩電路頻率計算公式
RC移相式振蕩器是采用超前移相或滯后移相電路作為選頻網絡,與反相放大器構成的振蕩器。具有電路簡單,經濟方便等優點,但選頻作用較差,振幅不夠穩定,頻率調節不便,因此一般用于頻率固定、穩定性要求不高的場合。其振蕩頻率為:f_0=1/(2π√6 RC)

3.RC振蕩電路起振條件
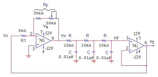
輸出電壓 uo經正反饋(兼選頻)網絡分壓后,取uf作為同相比例電路的輸入信號ui。
(1)起振過程
剛接通電源時,電路中存在各種電擾動,經過選頻網絡通過反饋產生比較大的反饋電壓。通過線性放大和反饋的不停循環,振蕩電壓就會不斷增大。
(2)振蕩頻率
振蕩頻率由相位平衡條件決定。φ_A=0,僅在f_0處φ_f=0滿足相位平衡條件,所以振蕩頻率為:f_0=1/(2πRC),改變R、C可改變振蕩頻率,RC振蕩電路的振蕩頻率一般在200KHz以下。
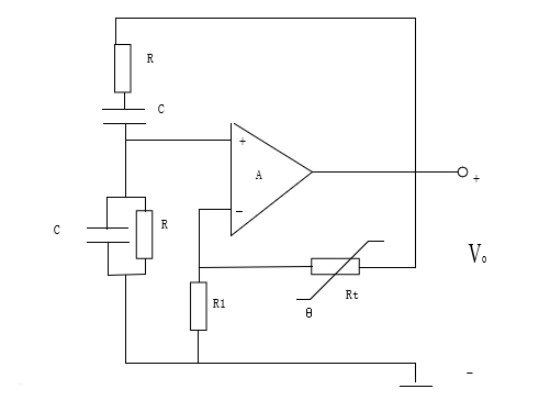
(3)起振及穩定振蕩的條件
考慮到起振條件A_F>1, 一般應選取R_t略大2R_1。如果這個比值取得過大,會引起振蕩波形嚴重失真。
由運放構成的RC串并聯正弦波振蕩電路不是靠運放內部的晶體管進入非線性區穩幅,而是通過在外部引入負反饋來達到穩幅的目的。
(4)穩輻環節
振蕩幅度的增長過程不可能永無止境的延續下去,當放大器逐漸由放大區進入飽和區或截止區。工作于非線性狀態,其增益逐漸下降,當放大器增益下降導致環路增益下降為1,振幅增長過程將停止,振蕩器達到平衡。

烜芯微專業制造二極管,三極管,MOS管,橋堆等20年,工廠直銷省20%,4000家電路電器生產企業選用,專業的工程師幫您穩定好每一批產品,如果您有遇到什么需要幫助解決的,可以點擊右邊的工程師,或者點擊銷售經理給您精準的報價以及產品介紹

