眾所周知,音頻控制電路是實現播放系統無損、全數字化、可遙控化、智能化的關鍵,也可移植到傳統功放、LED中控、家電產品中,是實現智能家居物聯網化的核心部分。本文設計了一種基于數字電位器的音頻控制電路,通過測試,實現了高效率,低失真,高信噪比。
1.系統總體設計
如圖1所示,音頻控制電路主要由微控制器部分(包括鍵盤部分,紅外接收)數碼顯示部分、數字音量控制部分、繼電器構成的輸入切換選擇部分、電源部分構成;膽機(電子管功放)部分是獨立于音頻控制電路的功率放大器,目的是驗證音頻控制電路的高效率,低失真,高信噪比,將不在本文詳敘。微控制器通過繼電器切換完成數字音頻信號(PCM2 704的輸出)和模擬音頻信號(外部輸入)之間的切換。
USB 數字音頻解碼芯片PCM2704,能接收來自USB主機(如臺式計算機、便攜式計算機、手機等)的IIS音頻數據并轉換為模擬音頻信號。被選中的音頻信號經過數字音量控制部分完成音量大小的調節,再送至膽機功率放大后產生足夠大的音頻功率去驅動外部音頻設備。微控制器使用5 kbyte Flash ROM單片機STC12C5052AD,主要用于鍵盤輸入、紅外輸入的掃描、工作狀態的顯示以及各功能模塊工作狀態的設置和管理。電源模塊單獨為微控制器部分、數碼顯示部分。數字化音量控制系統、膽機提供電源。鍵盤和顯示模塊用于接收用戶的操作輸入并向用戶反饋系統的當前狀態。

圖1 總體設計框圖
2.主要硬件設計
2.1數字電位器電路
如圖2所示,數字電位器部分選用MAX5389控制,它內置兩組100kQ電位器,共有256階的音量大小調節,帶寬達到600kHz,THD+N為0.015%。通過設置片選端CSA,CSB可以選擇內置的兩組電位器,低電平有效。設置UDA,UDB可以使電位器滑動端向高阻值或低阻值變化,下降沿使電位器滑動端向低阻值變化,上升沿使電位器滑動端向高阻值變化。設置INCA,INCB為下降沿將使阻值產生100k/256變化。

圖2 數字電位器電路
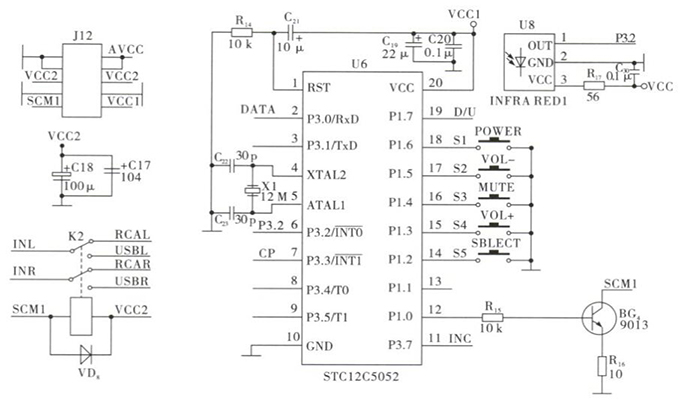
2.2微控制器處理電路
微控制器處理電路如圖3所示,主控CPU采用STC12C5052AD單片機,它有20個引腳,5kbyte的FlashROM,512byte的EEPROM,引腳可以設置為強推挽輸出直接驅動LED,內部資源豐富,性價比高。

圖3 微控制器處理電路
微控制器處理電路主要通過掃描獨立式鍵盤,紅外遙控器,將掃描信息通過Cp和Data端,將按鍵信息通過數碼管顯示出來。通過CS,,D/U 和INC端,將按鍵信息送達數字電位器Max5389,完成相關音量增加,減少,靜音等操作。通過P1.0端,通過三極管電流放大后驅動繼電器完成數字音源和模擬音源的切換。
2.3顯示電路
顯示電路如圖4所示,采用靜態顯示,通過串人并出移位寄存器74LS164,可以節省單片機IO口,同時可以直接驅動數碼管并方便擴展,數據從高位開始進行傳送,每次完成一個字節的傳送,單片機需要給芯片74LS164A的引腳8來一個上升沿,然后通過芯片74LS164A進行移位操作,將低位逐位移到最高位上,從而讓數碼管顯示不同的信息;通過控制三極管9013的導通或截止,從而讓 LED燈亮或滅,顯示音頻控制板的通電與否。

圖4 顯示電路
3.軟件設計
圖5為主程序流程圖,主程序要完成兩個任務,一是初始化,包括對 MAX5389數字電位器控制芯片音量,數字,模擬信號選擇的初始化,數碼顯示的初始化;二是從讀取EEPROM,通過定時器中斷的方式進行鍵盤、紅外等輸人掃描,讓主程序可讀性更強,效率也更高。

圖5 主程序流程圖
4.實驗結果
為了讓音頻控制板具有高信貯比,低失真,在布局布線采用了以下關鍵措施:
(1)所有走線呈弧形避免干擾。
(2)加寬電源線、地線寬度,使地線比電源線寬,做到:地線>電源線>信號線。
(3)布雙層板頂層走多條電源信號,底層走多條地信號,讓電源和地信號像“井”字形排列,基本上不走環線。
(4)模擬電路的地單獨接線。
(5)用大面積銅層作地線,在印制板上把沒被用上的地方都與地相連接作為地線用,頂層電源敷銅,底層地線敷銅。
(6)區分模擬和數字地:模擬器件就接模擬地,數字器件就接數字地;大信號地和小信號地也分開。
(7)濾波去耦電容緊貼芯片進一步減小去耦電容的供電回路面積,有利于實現電磁兼容。
(8)電源線盡可能靠近地線以減小供電環路面積,差模輻射小,有助于減小電路交擾。
將做好的音頻控制電路按照圖6連接,按照表1步驟測試,測試結果如表1所示,信噪比可以達到82.49 dB。
表1 信噪比測試結果表


結束語
以上就是基于數字電位器的音頻控制電路設計介紹了。本控制電路操作方便,智能可遙控,信噪比高,既可以接入USB 數字音頻信號也可以接入模擬音頻信號,具有極高的效率和極低的失真,該控制板在音頻產品、家電產品等領域有著廣泛的應用前景。
電話:18923864027(同微信)
QQ:709211280
〈烜芯微/XXW〉專業制造二極管,三極管,MOS管,橋堆等,20年,工廠直銷省20%,上萬家電路電器生產企業選用,專業的工程師幫您穩定好每一批產品,如果您有遇到什么需要幫助解決的,可以直接聯系下方的聯系號碼或加QQ/微信,由我們的銷售經理給您精準的報價以及產品介紹

