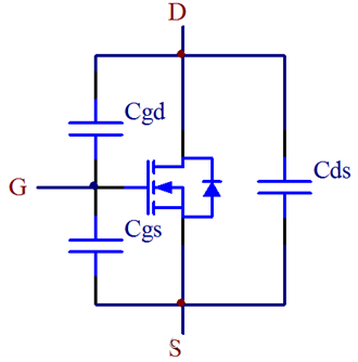
MOS屬于電壓控制型器件,但是實際上MOS管在從關斷到導通的過程中也是需要電流的,因為MOS管各極之間存在寄生電容Cgd,Cgs以及Cds。


MOS管的導通條件,是Vgs電壓至少需要達到閾值電壓Vgs(th),它通過柵極電荷對Cgs電容進行充電。當MOS管完全導通后就不需要提供電流了。


mos管開啟條件
MOS管的開啟條件取決于其溝道類型(N溝道或P溝道)以及是增強型還是耗盡型。
對于N溝道增強型MOSFET,開啟條件是漏源電壓(Vds)大于開啟電壓(Vgs(th)),同時柵源電壓(Vgs)也大于開啟電壓(Vgs(th))。
對于N溝道耗盡型MOSFET,開啟條件是漏源電壓(Vds)大于開啟電壓(Vgs(th)),而柵源電壓(Vgs)需要小于開啟電壓(Vgs(th))。
對于P溝道增強型MOSFET,開啟條件是漏源電壓(Vds)小于開啟電壓(Vgs(th)),同時柵源電壓(Vgs)也小于開啟電壓(Vgs(th))。
對于P溝道耗盡型MOSFET,開啟條件是漏源電壓(Vds)小于開啟電壓(Vgs(th)),而柵源電壓(Vgs)需要大于開啟電壓(Vgs(th))。
在開啟過程中,MOS管會經歷不同的階段,包括驅動開通脈沖通過MOS管的柵-源極對輸入電容(Cgs)充電,當Vgs電壓達到閾值電壓(Vth)時,電流ID開始流過漏極,并且Vds電壓保持不變。
隨著Vgs電壓的進一步上升,電流ID也逐漸增加,直到達到負載電流的最大值ID。在這個過程中,會出現一個稱為米勒平臺(Miller plateau)的階段,在這個階段,電流ID保持負載ID不變,而Vds電壓開始下降。當米勒平臺結束時,可以認為MOS管基本已經導通。
n溝道mos管開啟條件
閥值電壓:當柵極和源極之間的電壓(Vgs)大于或等于閾值電壓(Vth)時,N溝道MOS管會導通。
高電平有效:在數字電路中,當Vgs大于或等于Vth時,MOS管導通,這通常意味著高電平有效。
正向偏置電壓:在增強型N溝道MOS管中,只有當Vgs大于2.5V時,即Vg(柵極電壓)—Vs(源極電壓)大于2.5V時,D極和S極之間才會導通。
以上條件可能會根據MOS管規格書(datasheet)有所變化,實際應用中應參考具體規格來確定其開啟條件。
p溝道mos管開啟條件
柵極電壓:需要柵極電壓為正且足夠大,通常需要大于閾值電壓(Vth),以形成導電溝道。
漏極電壓:需要漏極電壓為正,當漏極電壓為正時,有利于導電溝道的形成。
源極電壓:需要源極電壓為負或接地,當源極電壓為負或接地時,電子可以從源極流向漏極,形成電流。
負載電阻:還需要考慮負載電阻的影響,當負載電阻較大時,可能需要更高的柵極電壓來維持導電溝道的形成。
〈烜芯微/XXW〉專業制造二極管,三極管,MOS管,橋堆等,20年,工廠直銷省20%,上萬家電路電器生產企業選用,專業的工程師幫您穩定好每一批產品,如果您有遇到什么需要幫助解決的,可以直接聯系下方的聯系號碼或加QQ/微信,由我們的銷售經理給您精準的報價以及產品介紹
聯系號碼:18923864027(同微信)
QQ:709211280

