一、電池充電基本條件
電池充電的基本條件是充電器電壓必須高于電池電壓,如此才能克服電池內部電阻,驅動充電電流流動,實現電荷的有效轉移。這是電池充電得以進行的物理基礎。
二、快充核心技術
快充技術的核心在于智能動態調整充電過程中的電壓與電流。以兩種常見快充方案為例:
高通 QC 高壓低電流方案 :通過提升充電電壓,在相對較低電流的情況下,顯著提高充電功率,從而有效縮短充電時間。其優勢在于能夠在相等時間內傳遞更多電能,但對電路的電壓承受能力和穩定性提出了更高要求。
OPPO VOOC 低壓大電流方案 :直接輸送更大電流,減少因電阻發熱導致的能量損耗,在較低電壓下實現快速充電。該方案對電流的精準控制和電路的散熱設計要求較高,以確保充電過程的安全與高效。
三、電源管理芯片(PMIC)的關鍵作用
快充全程由手機內置的電源管理芯片(PMIC)智能調控。PMIC 實時監測電池溫度、電壓和電量等關鍵參數,確保充電過程在安全范圍內進行。當電量接近 80% 時,快充會自動切換為 “涓流充電” 模式,降低充電功率,避免過充對電池造成的損害,延長電池使用壽命。


四、充電功率與效率
根據功率公式 P=U⋅I,在電池電量一定的情況下,功率直接標志著充電速度。提高充電功率可通過以下三種方式實現:
提高電流 :在電壓保持不變的前提下,增加電流可以提升充電功率。然而,電流過大可能會導致手機和充電器發熱,影響充電效率和電池壽命,甚至存在安全隱患。
加大電壓 :提高充電電壓可以在電流不變的情況下增加功率。但單純提高電壓會對電池和電路帶來更大的壓力,可能導致安全隱患,因此需要謹慎控制電壓提升的幅度。
同時加大電壓和電流 :這是提高功率的最直接有效的方法,能夠實現最快的充電速度。然而,這種方式也伴隨著最大的挑戰,即手機在充電過程中會產生較多熱量,對散熱設計和電池性能提出了極高的要求。
五、充電模式解析
高電壓低電流充電模式
在這種模式下,手機充電器首先將 220V 的市電降壓至 5V 低壓。隨后,電源管理芯片將電壓進一步降至 4.2 - 4.35V 的穩定區間,以適配手機鋰電池的充電需求。然而,降壓過程中存在一定的能量損耗,轉化效率并非 100%,這會導致手機和充電器在充電時發熱。因此,優化降壓電路的設計,提高轉化效率,是提升這種充電模式性能的關鍵。
高電流低電壓充電模式
該模式通過在充電器電路和電池電路中引入 MCU 單片微型計算機來替代傳統的降壓電路。在低電壓高電流的條件下,利用開電壓環實現分段恒流輸出。這種充電方式將電能直接輸送至電池,繞過了部分降壓環節,從而在一定程度上縮短了充電時間。其電壓通常穩定在 3 - 4.2V 之間,電流在 2 - 4A 之間,具有相對穩定的充電過程和較低的發熱水平,同時功率也得到了有效提升。為了進一步優化這種模式,需要不斷改進 MCU 的控制算法和電路設計,以實現更精準的電流控制和更高的充電效率。
高電壓高電流充電模式
同時增大電壓和電流是提高充電功率的最有效方法之一,能夠實現最快的充電速度。然而,這種方式也帶來了手機充電過程中發熱顯著增加的問題。過高的溫度不僅會影響手機的正常使用,還可能對電池性能和安全性造成不利影響。因此,在采用高電壓高電流充電模式時,必須配備高效的散熱系統和完善的溫度監控機制,以確保充電過程的安全性和可靠性。同時,對電壓和電流的提升幅度也需要進行嚴格限制,以避免超出電池和電路的安全承受范圍。
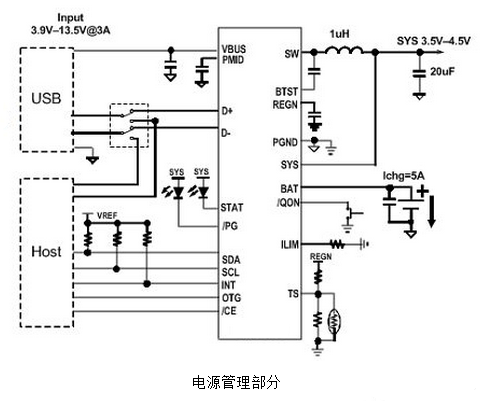
六、手機快充電路原理




快速充電方案主要包含兩個部分:充電器部分和電源管理部分。電源管理芯片通常位于移動智能終端內部,有的手機采用獨立的電源管理芯片,也有的將其直接集成在手機套片中。該芯片對鋰電池的整個充電過程實施精確管理和嚴格監控,涵蓋了復雜的處理算法。鋰電池充電過程一般分為預充階段、恒流充電階段、恒壓充電階段和涓流充電階段。電源管理芯片根據鋰電池在各個充電階段的電氣特性,向充電器發出指令,通知充電器調整充電電壓和電流。充電器接收到充電管理系統的需求后,實時改變輸出參數,與充電管理系統緊密配合,實現快速充電。
〈烜芯微/XXW〉專業制造二極管,三極管,MOS管,橋堆等,20年,工廠直銷省20%,上萬家電路電器生產企業選用,專業的工程師幫您穩定好每一批產品,如果您有遇到什么需要幫助解決的,可以直接聯系下方的聯系號碼或加QQ/微信,由我們的銷售經理給您精準的報價以及產品介紹
〈烜芯微/XXW〉專業制造二極管,三極管,MOS管,橋堆等,20年,工廠直銷省20%,上萬家電路電器生產企業選用,專業的工程師幫您穩定好每一批產品,如果您有遇到什么需要幫助解決的,可以直接聯系下方的聯系號碼或加QQ/微信,由我們的銷售經理給您精準的報價以及產品介紹
聯系號碼:18923864027(同微信)
QQ:709211280

